CAUTION : Try solving the problem yourself for at least 5–10 minutes before clicking the AI Assistant. In the exam hall, you will be on your own.
Q.No:1 JAM-2015
Consider the circuit, consisting of an AC function generator \(V(t)=V_0 \hspace{1mm} sin \hspace{1mm} 2\pi v t \) with \(V_0=5V\),an inductor \(L=8.0\) mH , resistor \(R=5\Omega\) and a capacitor \(C=100\mu\)F .Which of the following statements are true if we vary the frequency?

(A)
The current in the circuit would be maximum at \(v=178\) Hz
(B)
The capacitive reactance increases with frequency
(C)
At resonance, the impedance of the circuit is equal to the resistance in the circuit
(D)
At resonance, the current in the circuit is out of phase with the source voltage
Check Answer
Option A,C
Q.No:2 JAM-2015
In an experiment on charging of an initially uncharged capacitor, an RC circuit is made with the resistance \(R=10 \hspace{1mm}k\Omega\) and the capacitor \(C=1000\mu\)F along with a voltage source of 6V. The magnitude of the displacement current through the capacitor (in \(\mu\)A), 5 seconds after the charging
has started, is ___________________.
Check Answer
Ans 360-370
Q.No:3 JAM-2016
In the following RC circuit, the capacitor was charged in two different ways
(i) The capacitor was first charged to 5V by moving the toggle switch to position P and then it was charged to 10V by moving the toggle switch to position Q.
(ii) The capacitor was directly charged to 10V, by keeping the toggle switch at position Q.
Assuming the capacitor to be ideal, which one of the following statements is correct?

(A)
The energy dissipation in cases (i) and (ii) will be equal and non-zero.
(B)
The energy dissipation for case (i) will be more than that for case (ii).
(C)
The energy dissipation for case (i) will be less than that for case (ii).
(D)
The energy will not be dissipated in either case.
Check Answer
Option C
Q.No:4 JAM-2019
During the charging of a capacitor C in a series RC circuit, the typical variations in the magnitude of the charge \(q(t)\) deposited on one of the capacitor plates, and the current \(i(t)\) in the circuit, respectively are best represented by

(A)
Fig. I and Fig. II
(B)
Fig. I and Fig. IV
(C)
Fig. III and Fig. II
(D)
Fig. III and Fig. IV
Check Answer
Option A
Q.No:5 JAM-2020
Using a battery, a 10 pF capacitor is charged to 50 V and then the battery is removed. After that, a second uncharged capacitor is connected to the first capacitor in parallel. If the final voltage across the second capacitor is 20 V, its capacitance is _________________ pF.
Check Answer
Ans 15
Q.No:6 JAM-2021
An RC circuit is connected to two dc power supplies, as shown in the figure. With switch \(S\) open, the capacitor is fully charged. \(S\) is then closed at time \(t = 0\). The voltage across the capacitor at \(t = 2.4\) milliseconds is ___________ V. (Round off to one decimal place).

Check Answer
Ans 18.5-19.0
Q.No:7 JAM-2021
A parallel plate capacitor having plate area of 50 c\(m^2\) and separation of 0.1 mm is completely filled with a dielectric (dielectric constant K = 10). The capacitor is connected to a 10 k\(\Omega\)
resistance and an alternating voltage \(v\) = 10 sin(100\(\pi\)t), as shown in the figure. The switch S is initially open and then closed at \(t = 0\). The ratio of the displacement current in the capacitor, to the current in the resistance, at time \(t=\frac{2}{\pi}\) seconds is ____________ (Round off to three decimal places).

Check Answer
Ans 0.005-0.010
Q.No:8 JAM-2022
In an LCR series circuit, a non-inductive resistor of \(150 \Omega\), a coil of 0.2 H inductance and negligible resistance, and a \(30 \mu F\) capacitor are connected across an ac power source of 220 V, 50 Hz. The power loss across the resistor is ______________ W (Round off to 2 decimal places).
Check Answer
Ans 297-299
Q.No:9 JAM-2023
Which of the following statement(s) is/are true for a LC circuit with \(L = 25\) mH and \(C\) = 4 \(\mu\)F?
A) Resonance frequency is close to 503 Hz
B) The impedance at 1 kHz is 15 \(\Omega\)
C) At a frequency of 200 Hz, the voltage lags the current in the circuit
D) At a frequency of 700 Hz, the voltage lags the current in the circuit
Check Answer
Option A,B,D
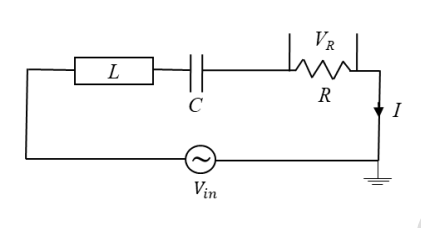
Q.No:10 JAM-2024
For the LCR AC-circuit (resonance frequency \(\omega_0\)) shown in the figure below, choose the correct statement(s).

A) \(\omega_0\) depends on the values of \(L\), \(C\), and \(R\)
B) At \(\omega = \omega_0\), voltage \(V_R\) and current \(I\) are in-phase
C) The amplitude of \(V_R\) at \(\omega = \omega_0/2\) is independent of \(R\)
D) The amplitude of \(V_R\) at \(\omega = \omega_0\) is independent of \(L\) and \(C\)
